Термопары ТЖКj/ТХА/ТХК/ТНН -06-01, -02, -03, -04, -05

Термопары ТЖКj/ТХА/ТХК/ТНН -06-01, -02, -03, -04, -05
Термопары ТЖКj/ТХА/ТХК/ТНН -06-01, -02, -03, -04, -05

Многозонные термопары, предназначенные для измерения температуры в печах термообработки, а также в реакторах установок каталитического синтеза нефтепродуктов.

Интервал между поверками — 4 года

Отправить заявку
ГарантияДо 12 месяцев со дня ввода в эксплуатацию, но не более 18 месяцев с даты изготовления, в пределах ресурса.
Конфигурация и заказ
Выберите необходимые опции
Тип датчика
ТХА
ТХК
ТЖК
ТНН
Температурный диапазон
-40 ... +600 ºC
-40 ... +750 ºC
-40 ... +800 ºC
-40 ... +1000 ºC
-40 ... +1100 ºC
-40 ... +1250 ºC
Измеряемая среда
Печи термообработки
Реакторы установок каталитического синтеза и гидрокрекинга нефтепродуктов
Вид взрывозащиты
Без взрывозащиты
Exia
Материал корпуса
Алюминиевый сплав
Без корпуса
Фиксация крышки корпуса
Винт
Без корпуса
Тип присоединения к процессу
Штуцер
Фланец
Линза
Материал арматуры/оболочки кабеля
12Х18Н10Т
AISI 321
AISI 310
Nicrobel
Inconel 600
Основные технические характеристики

Многозонные датчики. Преобразователи термоэлектрические ТХА/ТХК/ТНН/ТЖК-06 предназначены для измерения температуры газообразных или жидких химически неагрессивных, а также агрессивных сред, не взаимодейст­вующих с материалом термоэлектродов и не разрушающих материал оболочки кабеля и защитной арматуры.

Таблица 1

Условное обозначение изделия Материал оболочки кабеля Рабочий диапазон измеряемых температур, °С Ресурс, ч, не менее
ТХА-06-01,-06-02, 
-06-03, -06-04, -06-05
AISI 321 -40...+800 20000
ТХА-06-01-Т5, -06-02-Т5, -06-03-Т5, -06-04-Т5,
-06-05-Т5
Inconel 600
для кабеля
d1,5; d2; d3
-40...+1000
для кабеля
d4; d4,5; d6
-40...+1100
10000
ТХА-06-01- Т6,
-06-02-Т6, -06-03-Т6,
-06-04-Т6, -06-05-Т6
AISI 310
ТХК-06-01, -06-02,
-06-03, -06-04, -06-05
AISI 321 -40...+600 20000
ТHH-06-01,-06-02,
-06-03,-06-04, -06-05
Nicrobel -40...+1250 10000
ТЖК-06-01,-06-02,
-06-03, -06-04, -06-05
AISI 321 -40...+750 20000
Номинальная статическая характеристика по ГОСТ Р 8.585:
для ТХА — К;
для ТХК — L;
для ТНН — N;
для ТЖК — J.
Класс допуска:
для ТХА, ТНН, ТЖК — 1 и 2;
для ТХК — 2.
Устойчивость к внешним воздействиям
По устойчивости к механическим воздействиям:
Вибропрочная  группа F3 по ГОСТ Р 52931.
По устойчивости к температуре и относительной влажности окружающего воздуха:
-  Д3 по ГОСТ Р 52931 (для обыкновенного и экспортного исполнения), нижнее значение температуры окружающего воздуха -60°С, верхнее значение температуры окружающего воздуха до +85 °С;
Степень защиты от воздействия воды и пыли:
— IP66 для -06-01, -06-02;
— IP65 для -06-03, -06-04, -06-05.
               
                      Рисунок 1                                                             Рисунок 2                                                                Рисунок 3
              
                           Рисунок 4                                                                Рисунок 5    
Таблица 2
Тип и исполнение датчиков Рисунок Конструктивные особенности
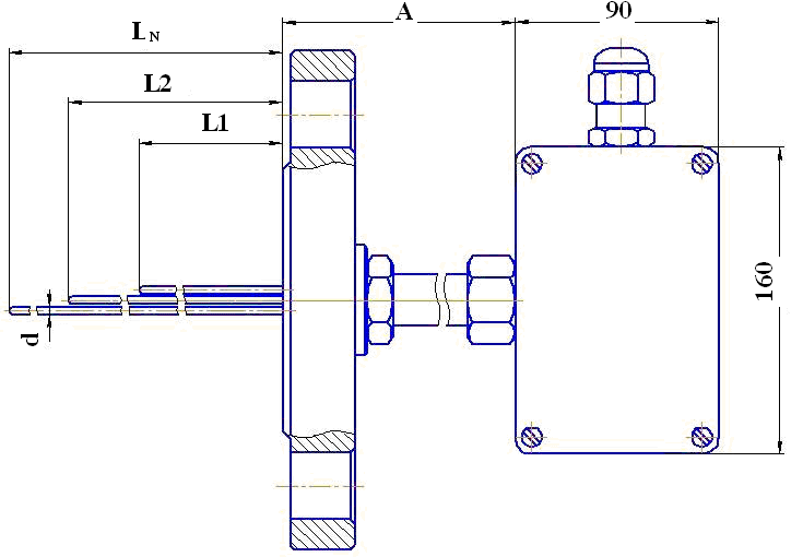
ТХА/ТХК/ТЖК-06-01 1


 
Клемная коробка (160х160х90 мм) из алюминиевого сплава, подключение к процессу с помощью штуцера. Рабочий спай каждой зоны измерения один, изолирован от защитной оболочки. Диаметр оболочки кабеля d=1,5...6 мм.
Термопарный кабель в минеральной изоляции с оболочкой из стали 12Х18Н10Т (AISI 321). Длина L1 от 250 мм до LN 40000 мм. Герметичны к измеряемой среде (Ру=1,0 МПа).
ТНН-06-01 Оболочка кабеля — Nicrobel.
ТХА-06-01-Т5 Оболочка кабеля — Inconel 600.
ТХА-06-01-Т6 Оболочка кабеля — AISI 310.
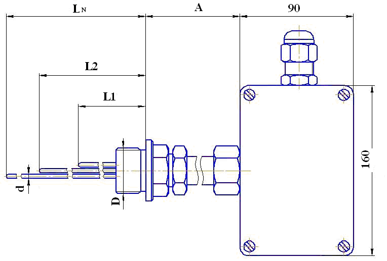
ТХА/ТХК/ТЖК-06-02 2
Клемная коробка (160х160х90 мм) из алюминиевого сплава, подключение к процессу с помощью фланца по
ГОСТ 12815-80. Рабочий спай каждой зоны измерения один, изолирован от защитной оболочки. Диаметр оболочки  кабеля d=1,5...6 мм. Термопарный кабель в минеральной изоляции с оболочкой из стали 12Х18Н10Т (AISI 321).
Длина L1 от 250 мм до LN 40000 мм. Герметичны к измеряемой среде (Ру=1,0 МПа).
ТНН-06-02 Оболочка кабеля — Nicrobel.
ТХА-06-02-Т5 Оболочка кабеля — Inconel 600.
ТХА-06-02-Т6 Оболочка кабеля — AISI 310.
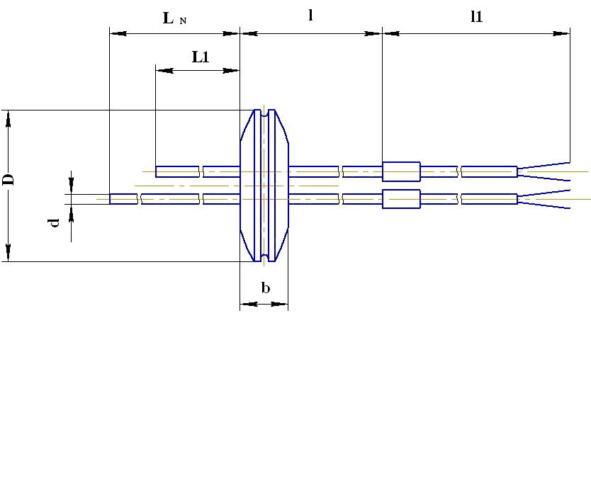
ТХА/ТХК/ТЖК-06-03 3 Подключение к процессу с помощью штуцера. Рабочий спай каждой зоны измерения один, изолирован от защитной оболочки. Диаметр оболочки  кабеля d=1,5...6 мм. Термопарный кабель в минеральной изоляции с оболочкой из стали 12Х18Н10Т (AISI 321). Длина L1 от 250 мм до  LN 40000 мм. Герметичны к измеряемой среде (Ру=1,0 МПа).
ТНН-06-03 Оболочка кабеля — Nicrobel.
ТХА-06-03-Т5 Оболочка кабеля — Inconel 600.
ТХА-06-03-Т6 Оболочка кабеля — AISI 310.
ТХА/ТХК/ТЖК-06-04 4 Подключение к процессу с помощью фланца по ГОСТ 12815-80. Рабочий спай каждой зоны измерения один, изолирован от защитной оболочки. Диаметр оболочки  кабеля d=1,5...6 мм. Термопарный кабель в минеральной изоляции с оболочкой из стали 12Х18Н10Т (AISI 321). Длина L1 от 250 мм до LN 40000 мм. Герметичны к измеряемой среде (Ру=1,0 МПа).
ТНН-06-04 Оболочка кабеля —  Nicrobel.
ТХА-06-04-Т5 Оболочка кабеля — Inconel 600.
ТХА-06-04-Т6 Оболочка кабеля — AISI 310.
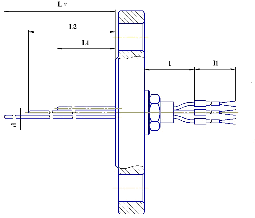
ТХА/КТХК/ТЖК-06-05 5 Подключение к процессу с помощью линзового крепления. Рабочий спай каждой зоны измерения один, изолирован от защитной оболочки. Диаметр оболочки  кабеля d=1,5...6 мм. Термопарный кабель в минеральной изоляции с оболочкой из стали 12Х18Н10Т (AISI 321). Длина L1 от 250 мм до  LN 40000 мм. Герметичны к измеряемой среде (Ру=1,0 МПа).
ТНН-06-05 Оболочка кабеля —  Nicrobel.
ТХА-06-05-Т5 Оболочка кабеля — Inconel 600.
ТХА-06-05-Т6 Оболочка кабеля — AISI 310.

Количество и длина зон измерения указываются в заказе.

Пример оформления заказа:

ТХА-06-01   N3   М33х2     -       -      1000-1500-2700/160                     d3           2шт.
ТХА-06-02   N3   Тип 3      20    4      1000-1500-2700/160                     d3           2шт.
ТХА-06-03   N5   М33х2     -       -        1000-1500-2700-3000-3150/200-1000     d2         2шт.
ТХА-06-05   N2   38/12      -     2,5    1000-1500/10000                           d2            2шт.
        1              2        3          4       5                       6                                          7                8
1 - Тип и исполнение датчика
2 - Количество зон (N)
3 - Тип фланца или D резьбы или d/b для исполнения по рис. 5
4 - Условный проход, DN для исполнений по рис. 2 и рис. 4
5 - Условное давление, PN
6 - Монтажные длины L1....LN / A или l и l1
7 - Диаметр, d
8 - Количество

Термопары ТЖКj – это высококачественные датчики температуры, предназначенные для точного измерения в различных промышленных условиях. Они обеспечивают быструю реакцию и надежность, что делает их незаменимыми в таких отраслях, как энергетика, металлургия и химия. Благодаря прочной конструкции и высокой устойчивости к температурным колебаниям, термопары ТЖКj идеально подходят для эксплуатации в экстремальных условиях.

Их широкий диапазон рабочих температур позволяет использовать эти термопары в самых различных приложениях. Простота установки и высокая точность измерений делают ТЖКj популярным выбором среди специалистов. Долговечность и надежность данных термопар обеспечивают безопасность и стабильность технологических процессов.

Термопары ТЖКj/ТХА/ТХК/ТНН -06-01, -02, -03, -04, -05

Выбирайте термопары ТЖКj для автоматизации вашего производства и получите надежный инструмент для контроля температуры, который повысит эффективность работы и уменьшит риск аварийных ситуаций. Инвестируйте в качество и надежность!

Техническая поддержка
Николай Воронин
Руководитель отдела поддержки клиентов (термометрия)
Тех. поддержка
Написать специалисту
Заказ