ТСМУ-Л, ТСПУ-Л

ТСМУ-Л, ТСПУ-Л
ТСМУ-Л, ТСПУ-Л

Термометры сопротивления с унифицированным выходным сигналом 4-20мА (20-4 мА) с возможностью перепрограммирования преобразователя.

Интервал между поверками — 2 года

Отправить заявку
ГарантияГарантийный срок эксплуатации - 12 месяцев со дня ввода в эксплуатацию или 18 месяцев со дня изготовления.
Конфигурация и заказ
Выберите необходимые опции
Тип датчика
ТСМУ-Л
ТСМУ-Л
ТСПУ-Л
ТСПУ-Л
Вид взрывозащиты
Без взрывозащиты
Exia
Exia
Exd
Exd
Особенности корпуса
Кабельный ввод-сальник
3
Кабельный ввод-разъём
4
Кабельный ввод муфта
1
Кабельный ввод G3/4
2
Кабельный ввод G1/2
3
Температурный диапазон
-40 ... +180 ºC40...+180ºC
-200 ... +650 ºC200...+650ºC
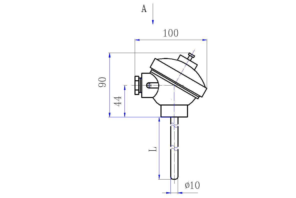
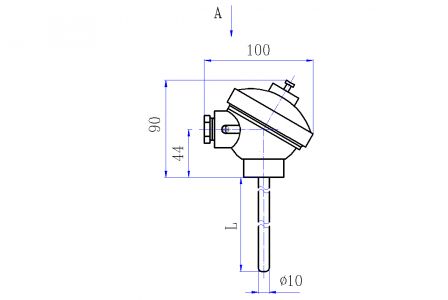
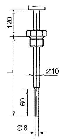
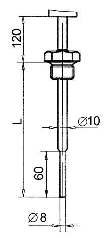
Длина монтажной части, (l), мм
80
80
120
120
160
160
200
200
250
250
320
320
400
400
500
500
630
630
800
800
1000
1000
1250
1250
1600
1600
2000
2000
Тип присоединения к процессу
Без крепежных элементов
Штуцер неподвижный
Штуцер передвижной
Штуцер с конической резьбой
Измеряемая среда
Газ
Жидкость
Основные технические характеристики

Перенастраиваемые датчики. Предназначены для непрерывного измерения температуры жидкостей, пара, газа на объектах различных отраслей промышленности, преобразования полученных значений в унифицированный токовый выходной сигнал 4-20 мА или 20-4 мА и его дистанционной передачи.

Датчики ТСМУ-Л-Ех, ТСПУ-Л-Ех имеют взрывозащищенное исполнение (Сертификат соответствия №POCCRU. ГБ06.В00597 от 27.02.2009г.) и имеют маркировку по взрывозащите:

А) для датчиков с видом взрывозащиты «Искробезопасная цепь»:

— OExiaIICT1….T6X;
— 1ExiaIICT1….T6X.

Б) «Взрывонепроницаемая оболочка»:

— 1ExdIICT5X.

Соответствуют требованиям ГОСТ Р 51330.0, ГОСТ Р 51330.1, ГОСТ Р51330.10 и предназначены для установки во взрывоопасных зонах помещений и наружных установок согласно главе 7.3 «Правила устройства электроустановок» (ПУЭ) и другим нормативным документам, регламентирующим применение электрооборудования во взрывоопасных условиях.

Датчики ТСМУ-Л-Ехd, ТСПУ-Л-Ехd, предназначены для измерения температуры жидких и газообразных сред во взрывоопасных зонах или помещениях, в которых могут содержаться аммиак, азотоводородная смесь, углекислый газ, природный или конвертированный газ и его компоненты, а также агрессивные примеси сероводорода и сернистого ангидрида в допустимых пределах по ГОСТ 12.1.005. Кратковременно, до 4 часов, допускается эксплуатация при концентрации примеси сероводорода до 100 мг/куб.м. или сернистого ангидрида до 200 мг/куб.м. Датчики могут использоваться во взрывоопасных зонах, в которых возможно образование взрывоопасных смесей газов, паров горючих жидкостей с воздухом категории IIА, IIB, IIC по ГОСТ Р 51330.11 группы Т1…Т6 по ГОСТ Р 51330.5.

Питание датчиков:

  • ТСМУ-Л, ТСПУ-Л — напряжение постоянного тока 36 В (допускаемое питание от источников от 10 до 36 В);
  • ТСМУ-Л-Ех, ТСПУ-Л-Ех — от источника питания 24 В в искробезопасном исполнении или через барьер искрозащиты. Потребляемая мощность не более 0,6 Вт.

Технические характеристики

Исполнения датчиков:

— По виброустойчивости (устойчивости к механическим воздействиям) – группа N3 по ГОСТ Р 52931;

— По степени защиты от воды и пыли — группа IP66 по ГОСТ 14254;

— Климатическое исполнение по ГОСТ 15159: УХЛЗ.1 (температура окружающей среды -40…+85° С, атмосферное давление 84….106.7 кПа), группа исполнения Р1 по ГОСТ12997, относительная влажность до 95% при +35 °С;

— По степени помехозащищенности соответствуют п.2.8.19 ГОСТ 13384-94;

— Напряжение питания: от 10 до 36 В;

— Рабочая температура окружающего воздуха: -40...+80°С;

— Потребляемая мощность: 0,75 Вт.

Техническая поддержка
Николай Воронин
Руководитель отдела поддержки клиентов (термометрия)
Тех. поддержка
Написать специалисту
Заказ